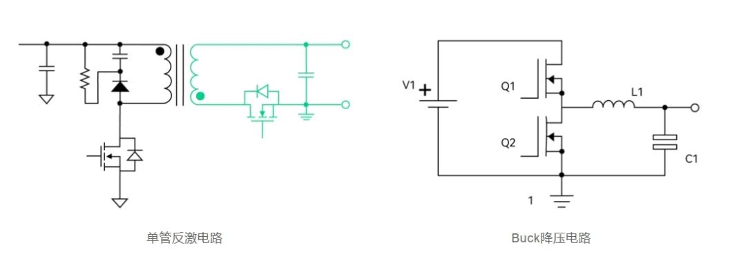
集设计、研发、生产和销售为一体的强技术导向型功率芯片供应商【中晶新源(SiNESEMI)】推出了业界领先的30V/N沟道MOSFET-SMT3001ALR。该器件主要电气参数RDS(ON)_Typ 和 FOM值均优于友商同类产品。采用薄小型 PDFN3333-8L封装,在VGS=10V条件下, RDS(ON)_Typ 低至 0.99mΩ,达成同类Punch-type业界最佳性能,广泛应用于开关电源同步整流及BLDC电机等领域。在实际应用电路中,产品的卓越性能极大程度地降低了系统整体功率损耗,获得市场和客户的一致好评。





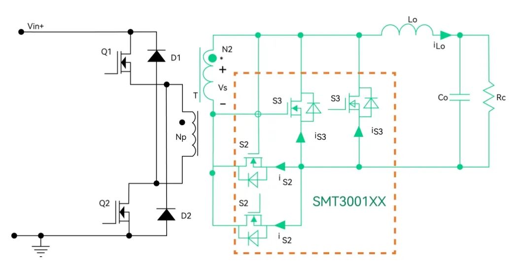
双管正激电源其拓扑电路结构图,如下图所示。系统输入电压为交流220V,输出电压为直流5V/60A,300W输出功率。

测试场景一: 在没有散热片的情况下,测试5分钟,实验室测试图片如下

(图1 SMT3001BLP测试)

(图2 友商测试)
测试结果如下:

测试场景二: 在加装散热片的情况下,测试30分钟,实验室测试图片如下

(图3 SMT3001BLP测试)

(图4 友商测试)
测试结果如下:

相比传统的二极管整流,MOSFET整流大大降低了功率损耗,提升了系统的整体效率;在散热条件一般的情况下,开关电源的效率接近90%。另外,同等测试条件下,系统的效率比友商高,器件的温升也比友商低。很重要的一个原因是在高频开关电源中,次级同步整流MOSFET具备低的正向导通电阻RDS(ON)、 体二极管反向恢复电荷Qrr、体二极管正向导通压降VSD以及输出电容Coss,可以大幅降低开关损耗和导通损耗,从而提升系统整体效率。
输出电容Coss的功率损耗计算公式如下:



部分产品规格书,请点击对应型号阅览。更多产品信息请访问中晶新源官方网站:www.sinesemi.com。
![]()
- END -